
PROJECTS
We Make Big Ideas Happen
400 MW Green Hydrogen Project
Dr. Naveed Akhtar is overseeing the 400 MW Green Hydrogen Production Development Project. The planned project would produce approximately 150,000 kg/day of Green Hydrogen from a 400MW capacity plant using energy from wind and solar farms at a renewable rich location overseas.

Micro-Tubular, Solid Oxide Fuel Cell (MT-SOFC) Systems Development for a German Partner
Hy-Hybrid Energy is pleased to support a German partner working on Micro-Tubular, Solid Oxide Fuel Cell (MT-SOFC) Systems for Fuel Cell Range Extender Vehicles (FCREVs). The project activities include, design, develop, manufacture and testing of MT-SOFCs for mobility applications.

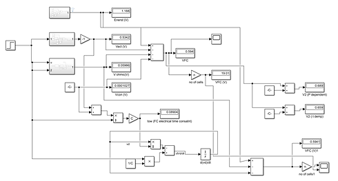
Solid Oxide Fuel Cell-Gas Turbine-Battery (SOFC-GT-BAT) Hybrid Model for Piper Aircraft
Hy-Hybrid Energy is pleased to support a study related to the use of Solid Oxide Fuel Cells for an aviation project. The study includes the use of gas turbine, battery and fuel cells as a hybrid drivetrain and selects the most appropriate energy source during climb, cruise & descend phases of the flight while optimising the overall efficiency of the drivetrain.

Fuel Cell Systems Assembly
We are working with GOLDI Mobility & Vision Group to setup the first-of-its-kind in Hungary, the fuel cell systems assembly line which will potentially accelerate the GOLDiON fuel cell buses deployment when their engines (i.e., fuel cell system modules) are titled as, “assembled in Hungary.”

Direct Ethanol Fuel Cell Development
We are working with a US based company to develop their Direct Ethanol Fuel Cell technology for Zero-Emission Vehicle market

PEM & DMFC Stack & System Development
We are working with a UK partner company to develop direct methanol fuel cell (DMFC) & proton exchange membrane fuel cell (PEMFC) stacks & systems for remote (off-grid) & mobility applications
Hydrogen Powered Aircraft & e-SAF Project
We are working on an H2-Aviation project in partnership with H2 Aircraft Developer. In another project, we are leading an e-SAF production plant setup together with consortium of airlines, lessors, airports, fuel suppliers, financers, OEMs, regulators and policy makers. The project also includes H2 infrastructure set-up & regulatory framework to enable Green H2 use at an airport environment.



